-
微技术微技术微技术microtechnologymicrotechnologymicrotechnology
1-1 控制器件-按钮

1-2 控制器件-按钮

1-3 控制器件-微动和辅助开关

1-4 控制器件-继电器类型

1-5 控制器件-接触器、继电器有关符号

1-6 控制器件-时间继电器类型

1-7 控制器件-继电接触控制电路读图中设计中应注意的问题:

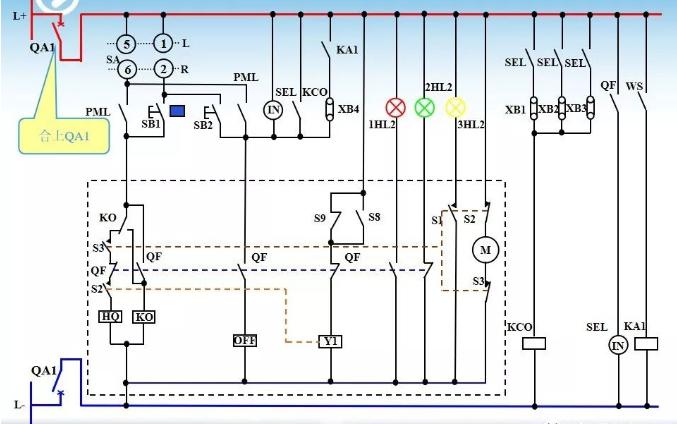
2-1 分闸合闸-初始状态

2-2 分闸合闸-回路加电

2-3 分闸合闸-回路加电

2-4 分闸合闸-回路加电

2-5 分闸合闸-回路加电

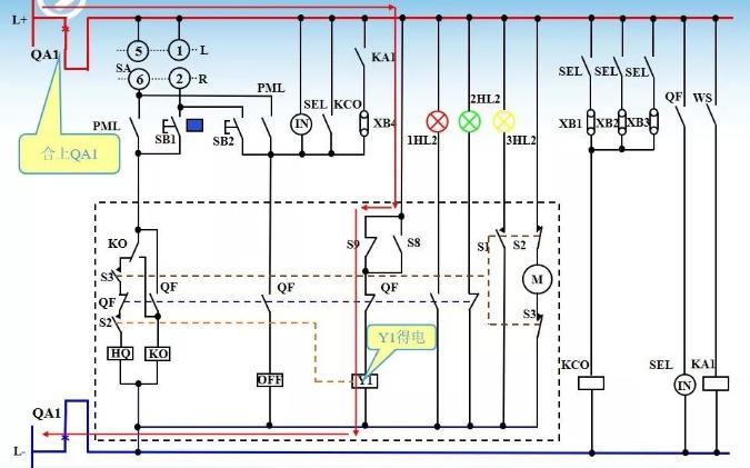
2-6 分闸合闸-储能

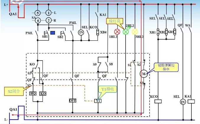
2-7 分闸合闸-储能中

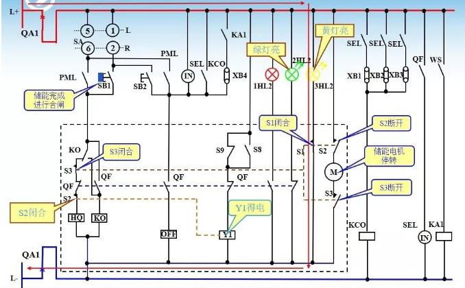
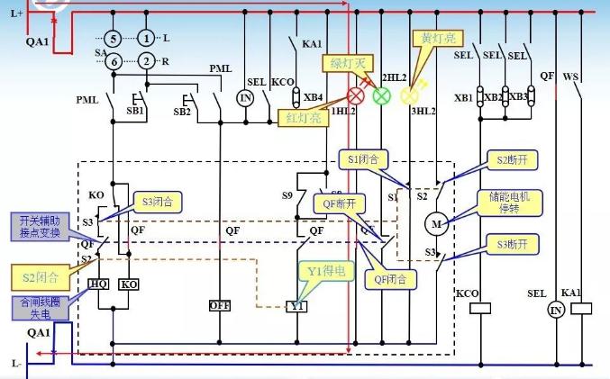
2-8 分闸合闸-储能完成后

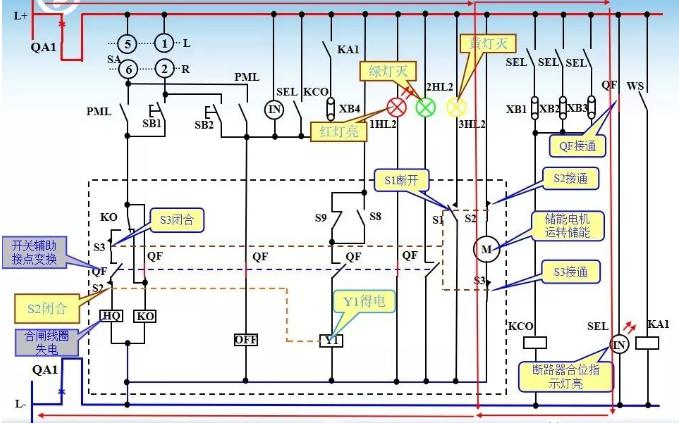
2-9 分闸合闸-合闸中

2-10 分闸合闸-真空开关合上后

2-11 分闸合闸-真空开关合上后机械能量释放

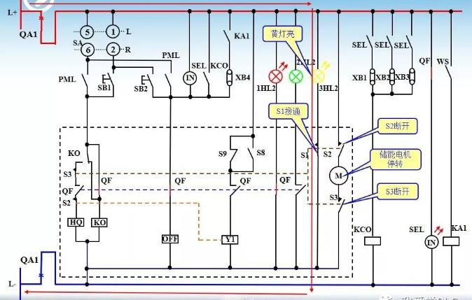
2-12 分闸合闸-储能电机重新运转储能后


公司专注于研发电力行业各类在线监测产品及辅控一体化软件平台系统,与中科院下属单 位合作研发,并从客户的角度,深入实际,为客户设计优质的在线监测解决方案,并长期提供 系统的跟踪维护服务。
电 话:025-58102707 15715190862(鲍经理)
Email:632687497@qq.com
生产地址:联东U谷江北新区国际企业港15栋201室
办公地址:南京市浦口区丽新路三松•仁里A座302室
网址:http://www.njgupan.cn/
邮编:210000
联系方式:025-58102707 15715190862(鲍经理) 展会联系人:俞昕18168056255
生产地址:联东U谷江北新区国际企业港15栋201室
办公地址:南京市浦口区丽新路三松•仁里A座302室
Copyright © 2023南京固攀自动化科技有限公司 All Rights Reserved 苏ICP备2024059577号