-
产品中心产品中心产品中心Product centerProduct centerProduct center
GP6100型避雷器阻性电流在线监测装置是我公司为了实现避雷器在运行状态下工作性能的有效管控而研发的装置。在无需PT(电压互感器)辅助信号的情况下,直接串入避雷器地线之上,可以有效的检测出全电流的阻性分量。同时利用自己特有的安全、有效的传输方式,能够把避雷器在持续运行时的全电流、阻性电流、容性电流及雷击次数等参数实时地传送到控制中心的控制屏上,进入电力部门的信息系统。
部件组成GSH-7型避雷器在
GP6100型避雷器阻性电流在线监测装置是我公司为了实现避雷器在运行状态下工作性能的有效管控而研发的装置。在无需PT(电压互感器)辅助信号的情况下,直接串入避雷器地线之上,可以有效的检测出全电流的阻性分量。同时利用自己特有的安全、有效的传输方式,能够把避雷器在持续运行时的全电流、阻性电流、容性电流及雷击次数等参数实时地传送到控制中心的控制屏上,进入电力部门的信息系统。
部件组成
![]() | ![]() |
GSH-7型避雷器在线监测装置 | 光电转换数据终端 |
检验报告

功能概述
装置能够把避雷器持续运行电压下的泄漏电流(全电流和阻性电流等)及雷击次数等参数实时地传送到控制室内。同时提供适当的通信协议,可以把监测到的数据实时地传送到供电部门的信息系统,也可以通过上位机软件直接在PC机上显示监测数据。
运行中的避雷器泄漏电流经带有微电流及电压线性化处理光发送模块的漏电流、雷击动作计数器转换为光纤的传输信号。然后经光纤传送至光电转换器,再经光电转换器处理后将信号经485总线传送至系统主机内,A、B、C避雷器的漏电流显示在报警系统上,报警系统可设定上限报警值,一旦泄漏超标,即有两对报警接点动作输出。
报警信号和泄漏电流的数值通过USB多串口方式或RS485串行总线提供给总控室的上位计算机系统,达到无人值班变电所避雷器故障电流自动检测报警的目的。

软件交互界面


主要技术指标
技术参数
监测全电流范围:
0.10~0.90mA(峰值电流、6 KV~35KV)
0.10~3.00mA(峰值电流、110KV~220KV)
0.10~9.00mA(峰值电流、330KV~750KV)
监测阻性电流范围:
0.01~0.40mA(峰值电流、6 KV~35KV)
0.01~1.00mA(峰值电流、110KV~220KV)
0.01~5.00mA(峰值电流、330KV~750KV)
监测污秽度范围:(不监测阻性电流时)2μA~100μA
监测项目:雷击次数、全电流、阻性电流、容性电流
检测精度:全电流3%±0.02mA、阻性电流3%±0.01mA
工作环境适应性:-25℃~+60℃
避雷器端数据传输介质:低频塑料光纤
高压端数据传送距离:0~180M(光纤)
抗雷击耐受电压:1000V/CM×光纤长(CM)
数据输出方式:RS232、485、USB、IEC-61850
性能说明
GSH-7型避雷器在线监测装置:显示各路避雷器的泄漏全电流、泄漏阻性电流及有功功率和雷击动作次数。
光纤:用于传输从监测装置中发出的光信号,在实现数据传输的同时对外部高电压进行安全隔离,正常有效距离为150m。
光电转换器:将接光信号转换成数字信号并以RS485、无线、GPRS等方式传出。
部件技术参数
一、GSH-7型避雷器在线监测装置
前端的采集部分,我们采用公司自主研发的GSH-7型避雷器阻性电流在线监测装置,装置无需引入TV信号,直接串入避雷器地线之上,在线监测避雷器阻性电流。为了方便电力部门对实时监控的要求,我们可同时将阻性电流、全电流及动作次数实行远程传输,通过有线或无线数字技术,将采集到的数据传输至电力系统的局域网内。其基本功能为1、测量避雷器的全电流 (峰值);2、测量避雷器的阻性电流 (峰值);3、记录避雷器的放电次数。计入参数如下:

二、光电转换数据终端
工作电压:12V/AC 、DC
工作温度:-20℃~60℃
工作环境:周围空气中不会有对监测装置起腐蚀作用的有害介质
通讯输出:高频无线,达200米或485通讯
与监测器传输方式:光纤
数据传输:RS485
使用环境
环境温度:-40...+50℃
相对湿度:0…100%
大气压力:86~106kpa
相关标准
DLT5149-2001 220-500kV变电所计算机监控系统设计技术规程
Q/320115 GP 001-2012 GPM系列避雷器在线监测传输系统
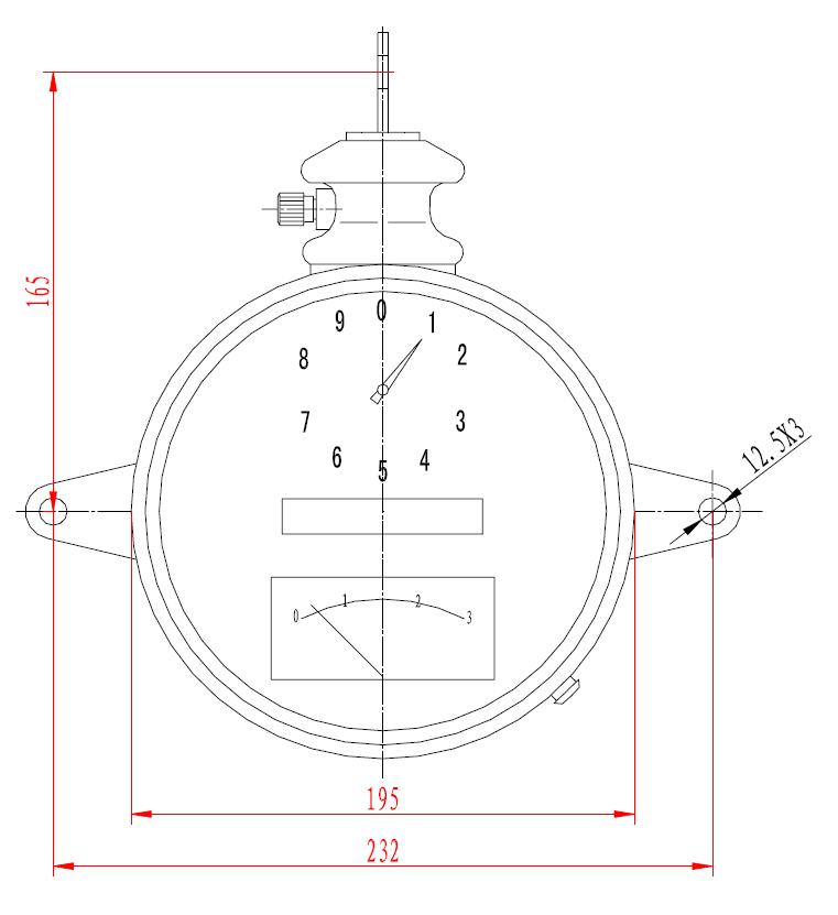
尺寸外观
一、GSH-7型避雷器在线监测装置
|
|
安装尺寸图 | 安装示意图 |
二、光电转换器
|
|
安装尺寸图 | 安装示意图 |
公司专注于研发电力行业各类在线监测产品及辅控一体化软件平台系统,与中科院下属单 位合作研发,并从客户的角度,深入实际,为客户设计优质的在线监测解决方案,并长期提供 系统的跟踪维护服务。
电 话:025-58102707 15715190862(鲍经理)
Email:632687497@qq.com
生产地址:联东U谷江北新区国际企业港15栋201室
办公地址:南京市浦口区丽新路三松•仁里A座302室
网址:http://www.njgupan.cn/
邮编:210000
联系方式:025-58102707 15715190862(鲍经理) 展会联系人:俞昕18168056255
生产地址:联东U谷江北新区国际企业港15栋201室
办公地址:南京市浦口区丽新路三松•仁里A座302室
Copyright © 2023南京固攀自动化科技有限公司 All Rights Reserved 苏ICP备2024059577号